网站首页
关于我们
产品展示
资质证书
新闻中心
业务领域
电子样本
联系我们
网站首页
关于我们
产品展示
资质证书
新闻中心
电子样本
联系我们
首页
>
产品中心
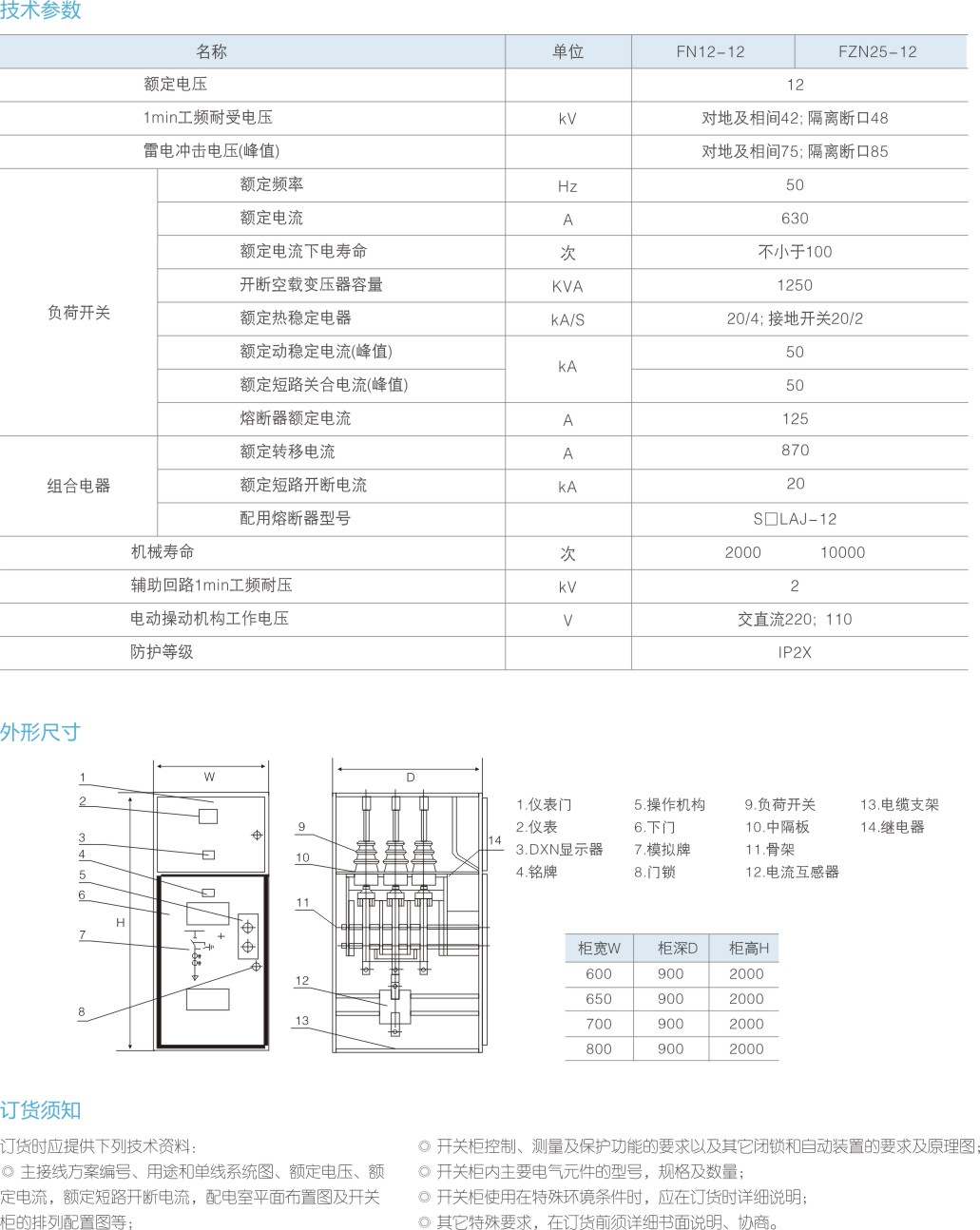
HXGN□-12箱型固定式交流金属封闭环网开关设备
返回列表 >
若您想进一步了解晋业电气
可拨打服务热线,我们将真诚为您服务
0577-61662825
18858857733
关于我们
产品中心
电子样本
新闻资讯
联系我们
COPYRIGHT © 2020 浙江晋业电气设备有限公司 ALL RIGHTS RESERVED
技术支持:鼎诺传媒